Pneumatisches Druckregelventil PN2X / PN2X9

Einstellung: pneumatisch, 3/2 Wege Funktion

Grundstellung: Druckluft AUS = Arbeitsdruck AUS

Einbaulage:        senkrecht oder waagerecht

Anschlussgrößen:

Zulauf:          

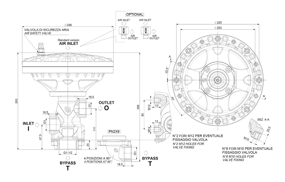
iG 1“
Druckanschluss:  iG 1“
Bypass: iG 1½“ (90° Bogen: iG1“)
Abflussleitung min.: DN 40
Druckluftanschluss: iG ¼“
Luftverbrauch min.: 28 l/min bei 6 bar
Membranzylinder: Aluminium, eloxiert

Gehäuse:           

Edelstahlguss

Funktion:
Der Arbeitsdruck wird mittels Druckluftregelventil gegen den Förderstrom eingestellt.
Das Überströmwasser wird über den By-Pass abgeführt.
Der eingestellt Arbeitsdruck kann über eine 3/2 Wege Druckluftventil EIN / AUS geschaltet werden.
Das System ist gegen Überdruck gesichert.

Gewicht: 10 kg


Ausführungen

Modell Arbeitsdruck Durchfluss Teile Nr.
max. [bar] max. [l/min]
PN2X 500 300 M40501161
PN2X9 500 230 M40501162


Einbaubeispiel




PN2X



PN2X9
Bypass mit 90° Bogen


Maßzeichnung PN2X





M+T Druckwassertechnik GmbH
Peter - Joseph - Lenné - Str. 10
D- 51377 LEVERKUSEN  (Germany)

Tel: +49 (0)214 20693-0
Fax: +49 (0)214 20693-10
E-mail: post@druckwassertechnik.com
Bürozeiten: Mo. bis Fr.: 08:00 bis 17:00 Uhr

Produkte:
Plungerpumpen
Kolbenpumpen
Ventile
Zubehör
Downloads

Tabellen:
Formelsammlung
Düsentabelle
Volumenstromtabelle Flachstrahldüse
Volumenstromtabelle Rundstrahldüse
Praxis:
Auslegung der Saug und Druckleitung
Druckverluste in Schlauchleitungen
Fehlersuche
Pumpen-Montage
© M+T Druckwassertechnik GmbH 2018